网站导航
首页
产品中心
新闻资讯
技术支持
关于欧莱博
联系我们
<
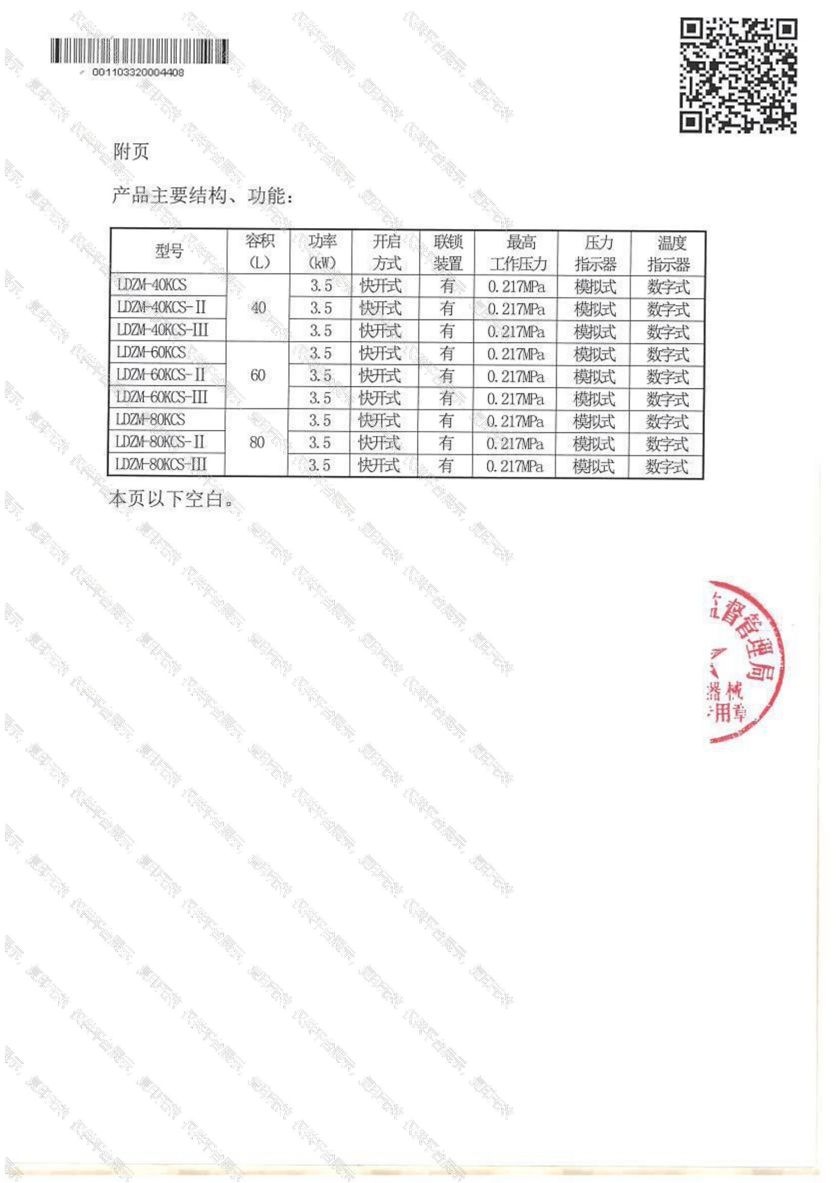
申安LDZM-40KCS不锈钢自控压力灭菌器
产品特点
1、翻盖式快开门结构
2、智能化自动控制灭菌循环程序
3、设定温度时间采用一键制操作方式
4、数码液晶窗中文显示运行状态
5、安全连锁互动控制
6、灭菌终了蜂鸣提醒后自动停机
7、具有断水保护控制
8、自胀式密封圈
9、可自行增配打印功能